Прочная конструкция силоса
Силосная конструкция - это конструкция здания, выдерживающая высокое давление, которая должна быть серьезно.  спроектирована таким образом, чтобы выдерживать экстремальные условия и обеспечивать безопасность. SRON является китайской лицензированной компанией по проектированию и строительству тяжелых конструкций. А проектирование конструкции силоса - это ответственность на всю жизнь.
При проектировании конструкции силоса основными нагрузками являются::
Постоянные нагрузки:  например, собственный вес конструкции, вес стационарного оборудования (без учета пусковых нагрузок оборудования).
Переменные нагрузки:  например, нагрузка на хранилище, запыленность, временная нагрузка на верх силоса, нагрузка от давления ветра, снеговая нагрузка, температурные эффекты, эксплуатационная нагрузка и т. Д.
Динамическая нагрузка:  например, вибрационная нагрузка, вызванная работающим оборудованием.
Сейсмическая активность: 
Для расчета конструкции силоса необходимо суммировать все возможные нагрузки, возникающие в одно и то же время, организовать соответствующую комбинацию воздействия нагрузки на основе предела предельной нагрузки конструкции и предела предельной нагрузки во время применения и использовать их худшую комбинацию для расчета. Для расчета конечного предельного состояния следует комбинировать базовые комбинации нагрузок или комбинации случайных нагрузок.
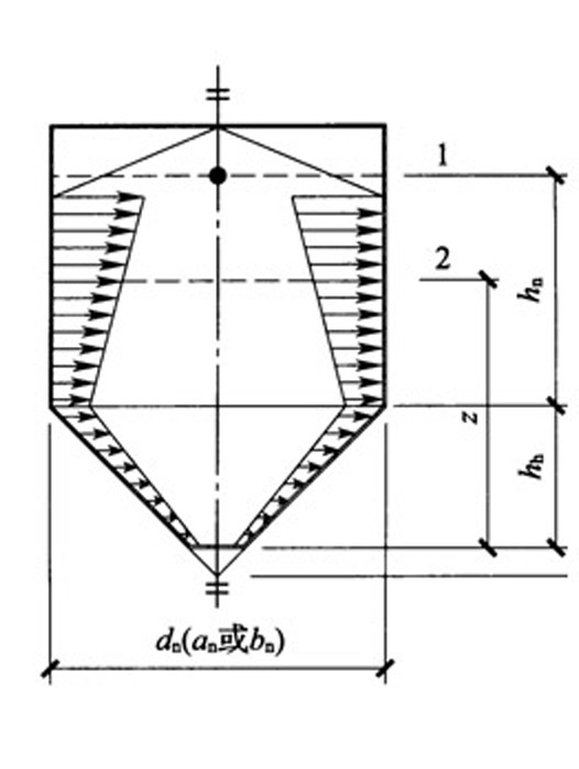
Расчетные нагрузки на конструкцию силоса при хранении составляют:
Метод конечных элементов по SAAP2000  
SRON предоставляет анализ конечных элементов SAAP 2000 или Staad PRO для справочника расчетов нашей конструкции силоса и чертежей фундамента в соответствии с требованиями.
 Сильный кольцевой луч
Сильный кольцевой луч Внутри вертикального ребра жесткости
Внутри вертикального ребра жесткости Внешнее кольцо жесткости
Внешнее кольцо жесткости Прочная конструкция силоса
Прочная конструкция силоса Силосная система для твердого цемента
Силосная система для твердого цемента Сплошная спиральная конструкция силоса
Сплошная спиральная конструкция силосаSRON берет на себя пожизненную ответственность за прочность и безопасность конструкции силоса.